
Product
design
Si tienes alguna duda escríbenos, o si deseas conocer el presupuesto del proyecto que quieres realizar haz clic aquí, te lo enviaremos en seguida.
¡Desliza hacia abajo!
BRANDING | SOCIAL MEDIA | PRODUCT DESIGN | WEB DEVELOPER | MOTION GRAPHIC | VIDEO EDITING | RRSS | ARCHITECTURE & INTERIOR DESIGN

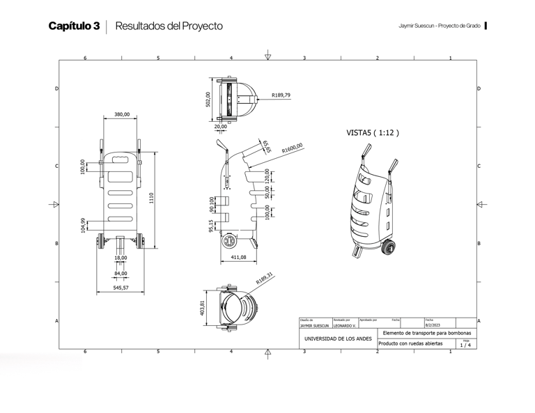
Elemento para transportar bombona de gas butano de 10KG y 18KG
Diseño de un elemento de transporte para bombonas de 10KG a 18KG con adaptabilidad para llevar en vehiculos familiares. Inspirado en la analogía formal del escarabajo rinoceronte, ofrece innovadores cualidades arraigadas a caracteristicas como portabilidad, adaptabilidad, transportabilidad, comodidad, etc.
Posee un diseño amigable, cuenta con un sistema de mangos telescopico/angular que permite al usuario ajustar su altura y posición segun lo necesite. A su vez mantiene una morfologia libre de esquinas de 90 grados para beneficiar su transporte en los vehiculos, de esta forma no causara ningun tipo de daño colateral en tapiceria, ventanas, etc.
Su principal objetivo es darle al usuario la facilidad de realizar la actividad de forma segura, sin perjudicar su cuerpo o vehiculo al transportar los cilindros de gas.














Problema
Mejorar la actividad del transporte del cilindro de gas, tanto en sus vehículos particulares como en su transporte manual para disminuir daños físicos y materiales.
Objetivo General
Diseñar un elemento de trasporte para desplazar bombona de gas butano entre 10KG y 18KG por tracción de sangre y/o vehículo familiar sin tolva.
Necesidades
Seguridad
Transportabilidad
Adaptabilidad
Objetivos Especificos
Documentar
Revisión de Antecedentes
Analizar
Sintetizar
Conceptualización
Brainstorming
Moodboards
Diseño de Propuestas
Validaciones



Elemento para transportar bombonas de gas butano de 10kg y 18kg.
Rihno Car - Tu solución segura

Elemento para transportar bombonas de gas butano de 10kg y 18kg.
Rihno Car - Tu solución segura

Elemento para transportar bombonas de gas butano de 10kg y 18kg.
Rihno Car - Tu solución segura

Diseño de espacio de trabajo para diseñadores inspirados en la linea de diseño de: Giancarlo Piretti
Diseñada especialmente para creativos del diseño, la arquitectura y la ilustración. La superficie de trabajo puede utilizarse como escritorio o como mesa de dibujo a 45°.
La mesa es colapsable 90° hacia la pared, quedando completamente coplanar entre sus elementos, asegurando así el mayor aprovechamiento de espacio tanto en la habitación como durante el almacenamiento y transporte del producto.
El diseño formal alude al diseño original del escritorio PLATONE (1970), combinando con toda la línea para Anonima Castelli (1962-1977 aprox.), aludiendo fuertemente al diseño de los años 70 y dándole un giro moderno para contextualizarlo en los años 20 del siglo XXI.








Problema
Mejorar el flujo de trabajo para creaivos, arquitectos y diseñadores mediante un espacio de trabajo multifuncional.
Objetivo General
Diseñar un espacio de trabajo multifuncional para creativos, arquitectos y diseñadores.
Necesidades
Multi Funcional
Práctico
Adaptabilidad
Objetivos Especificos
Documentar
Revisión de Antecedentes
Analizar
Sintetizar
Conceptualización
Brainstorming
Moodboards
Diseño de Propuestas
Validaciones





Espacio de trabajo multifuncional para creativos, arquitectos y diseñadores.
Mesa Piretti / Inspirado en Giancarlo Piretti

Mesa Piretti / Inspirado en Giancarlo Piretti
Espacio de trabajo multifuncional para creativos, arquitectos y diseñadores.

Espacio de trabajo multifuncional para creativos, arquitectos y diseñadores.
Mesa Piretti / Inspirado en Giancarlo Piretti
Diseño de empaque para Pizzas / Pizzacini Marca.
Diseño de empaque de pizza para la marca Pizzacini. Se observa un three pack junto a una representación visual de la pizza en la parte superficie de la caja, haciendo referencia que tipo de pizza lleva dentro del empaque.
Problema
Idear un tipo de empaque que permitiera contener 3 pizzas por separadas, con fines de ventas promocionales.
Objetivo General
Diseñar un empaque para 3 pizzas.
Necesidades
Funcional
Práctico
Amigable
Versatil
Objetivos Especificos
Documentar
Revisión de Antecedentes
Analizar
Sintetizar
Conceptualización
Brainstorming
Moodboards
Diseño de Propuestas
Validaciones











Diseño de mobiliario para baño en el hogar (mobiliario principal, mobiliario auxiliar y espejo de baño)
Diseño de mobiliario RTA suspendido para lavamanos, un espejo de baño y una extensión de espacios en la parte inferior del mueble principal.
Se plantearon dos tipos de versiones: la primera cuenta con dos compuertas que permite acceder a una división de espacios en el interior, mientras que la segunda utiliza un sistema de gaveta push/open para almacenar los productos personales del usuario.
Ambos productos fueron diseñados a medida, considerando la variabilidad de gustos o necesidades. Se decidió asignar colores diferentes a ambos productos, proporcionando así un punto distintivo tanto funcional como estético.
Este proyecto fue realizado durante mi periodo de pasantía para la empresa Mobili Fiver y pertenece a la misma.




















Problema
Mejorar la configuración del mobiliario de baño (lavamanos) a través de un conjunto de productos que mejore la experiencia de uso.
Objetivo General
Necesidades
Versatil
Elegante
Minimalista
Funcional
Práctico
Objetivos Especificos
Documentar
Revisión de Antecedentes
Analizar
Sintetizar
Conceptualización
Brainstorming
Moodboards
Diseño de Propuestas
Validaciones


Diseñar un juego de 3 mobiliarios de baño RTA.

IACOPO / ARREDO BAGNO
Diseño de mobiliario para baño en el hogar (mobiliario principal, mobiliario auxiliar y espejo de baño).

Diseño de mobiliario para baño en el hogar (mobiliario principal, mobiliario auxiliar y espejo de baño).
IACOPO / ARREDO BAGNO

Diseño de mobiliario para baño en el hogar (mobiliario principal, mobiliario auxiliar y espejo de baño).


